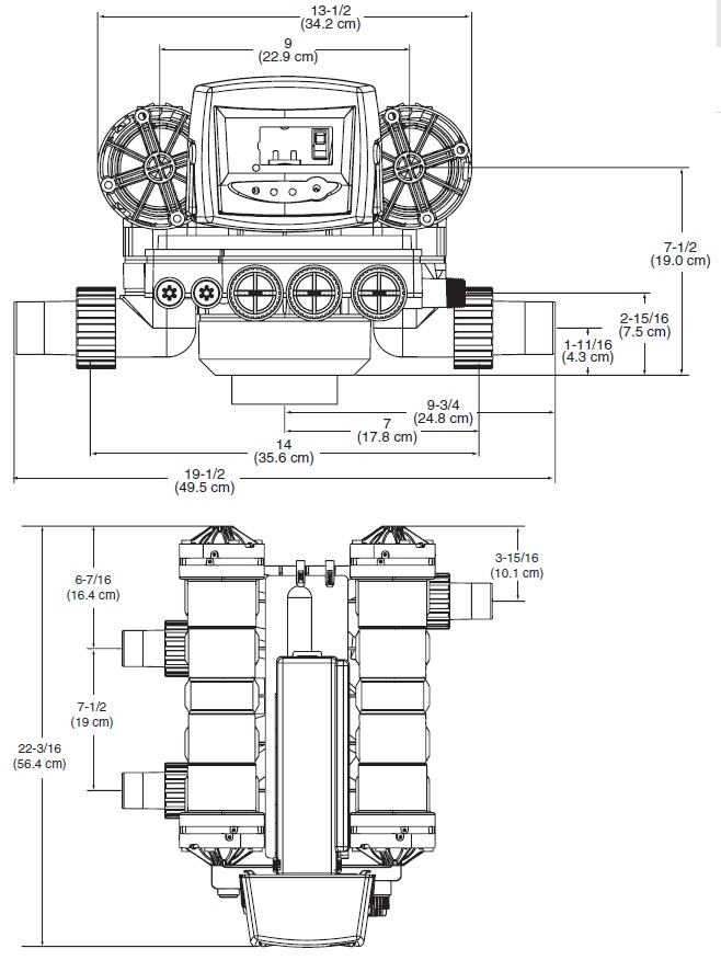
Autotrol Magnum 293/742 Cv NUWB
Для подробной информации и заказа звоните:
☎ +38(066)1053923
☎ +38(097)9719588
Управляющий клапан Autotrol Magnum 293/742 Cv NUWB трехцикловый для систем фильтрации воды.
Регулирующий клапан Autotrol Magnum 293/742 Cv NUWB — это тип регулирующего клапана, используемый в системах водоочистки, особенно в: обезжелезивающих, фильтрационных, сорбционных фильтрах.
Какое назначение управляющего клапана Magnum 293/742 Cv NUWB?
Регулирующий клапан Magnum 293/742 Cv NUWB предназначен для регулирования потока воды и управления процессом регенерации засыпного фильтра.
Регулирующий клапан, управляет потоками воды и контролирует циклы регенерации, чтобы обеспечить оптимальную работу системы фильтрации.
Особенности клапана Autotrol 293/742 Cv NUWB
- Цифровое управление обеспечивает точный и эффективный контроль над процессом фильтрации воды.
- Программируемая система управления, позволяет пользователям программировать циклы регенерации в зависимости от режима использования воды. Это гарантирует, что система будет работать только заданных режимах.
- Регулирующий клапан удобен для пользователя, имеет простые в использовании элементы управления и возможности программирования.
- Клапан изготовлен из прочных материалов.
- На лицевой панели отображаются - текущее время дня, количество дней оставшихся до регенерации.
- 3-и стадийная регенерация.
- Варианты проведения регенерации: по таймеру, немедленная или отложенная.
- 3-цикловые, используются для процесса обезжелезивания или механической фильтрации, рассчитаны на производительность 10 м3/час (корпус 36х72).
Характеристики Autotrol Magnum 293/742 Cv NUWB
Применение с корпусами фильтров в режиме фильтрации - 14"-36"
Производительность в режиме фильтрации, (при перепаде давления 1,05 бар) – 18,2 м3/час
Производительность в режиме обратной промывки, (при перепаде давления 1,09 бар) – 20 м3/час
Рабочее давление 2-6,9 Бар
Рабочая температура 2-38 оС
Электопитание – 220В, 50 Гц
Подключение:
Вход/Выход - 1 1\2"
Дренаж - 1 1\2"
Подсоединение к корпусу фильтра - 4"-8UN
Материал корпуса – Noryl
Масса – 14 кг.

Похожие товары:
Монтажный комплект 1” Autotrol, Pentair | Magnum 293/742 IT NUWB
