Magnum 293/742 IT NUWB
Для подробной информации и заказа звоните:
☎ +38(066)1053923
☎ +38(097)9719588
Magnum 293/742 IT NUWB клапан для систем фильтрации воды с регенерацией по времени.
Magnum 293/742 IT NUWB предназначен для управления процессами регенерации и обратной промывки в системах фильтрации воды.
Назначение управляющего клапана Magnum 293/742 IT NUWB
Регулирующий клапан Magnum 293/742 IT NUWB предназначен для регулирования потока воды и управления процессом регенерации засыпного фильтра с 4 циклами при регенерации.
Регулирующий клапан, управляет потоками воды и контролирует циклы регенерации, чтобы обеспечить оптимальную работу системы фильтрации.
Особенности клапана Magnum 293/742 IT NUWB
- Цифровое управление обеспечивает точный и эффективный контроль над процессом фильтрации воды.
- Проверенная временем заслонка Duraflow обеспечивает уплотнение без трения для более длительного срока службы.
- Программируемая система управления, позволяет пользователям программировать циклы регенерации в зависимости от режима использования воды. Это гарантирует, что система будет работать только заданных режимах.
- Регулирующий клапан удобен для пользователя, имеет простые в использовании элементы управления и возможности программирования.
- Клапан изготовлен из прочных материалов.
- На лицевой панели отображаются - текущее время дня, количество дней оставшихся до регенерации.
- 4-х стадийная регенерация.
- Оптический датчик для точного позиционирования цикла
- Варианты проведения регенерации: по таймеру, немедленная или отложенная.
- 4-цикловые, используются для процесса обезжелезивания или механической фильтрации, рассчитаны на производительность 10 м3/час (корпус 36х72).
- Программирование сохраняется в памяти и не будет потеряно из-за перебоев с электропитанием
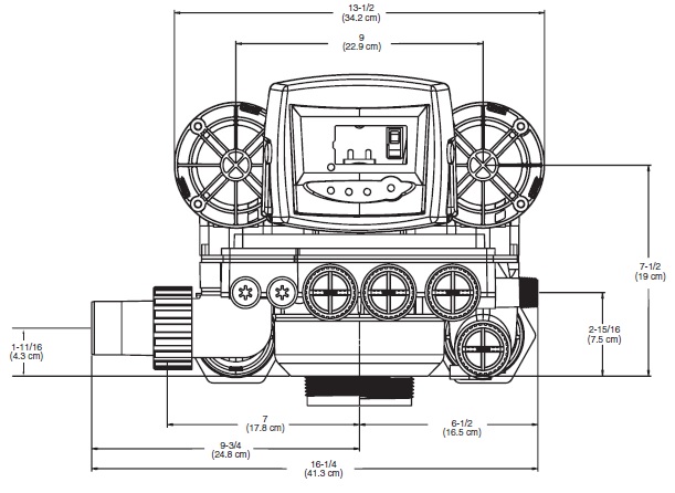
Характеристики Magnum 293/742 IT NUWB
Применение с корпусами фильтров в режиме фильтрации - 14"-36"
Производительность в режиме фильтрации, (при перепаде давления 1,05 бар) – 18,2 м3/час
Производительность в режиме обратной промывки, (при перепаде давления 1,09 бар) – 20 м3/час
Рабочее давление 2-6,9 Бар
Рабочая температура 2-38 оС
Электопитание – 220В, 50 Гц
Подключение:
Вход/Выход - 2"
Дренаж - 1 1\2"
Подсоединение к корпусу фильтра - 4"-8UN
Материал корпуса – Noryl
Масса – 14 кг.

Похожие товары:
Autotrol Magnum 293/742 Cv NUWB | Magnum 293/762 IT SN NUWB
