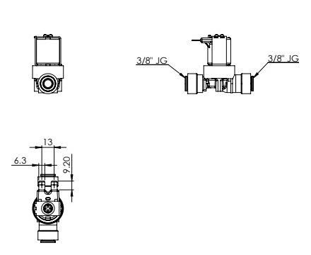
Электромагнитный клапан ⅜ john guest
Для подробной информации и заказа звоните:
☎ +38(066)1053923
☎ +38(097)9719588
Электромагнитный клапан ⅜ john guest с катушкой на 24 вольта DC для бытовых систем обратного осмоса и вендинговых автоматов.
Электромагнитный клапан с быстроразъемным подключением john guest используется для открытия потока воды или другой невязкой жидкости и отключения потока при выключении оборудования.
Рабочая температура жидкости не должна превышать 60 °С
Скорость срабатывания от 20 до 50 миллисекунд.
Монтаж электромагнитного клапана ⅜ john guest
Клапан может быть установлен в любом положении. Но производитель рекомендует производить его монтаж в строго горизонтальном положении.
На нижней части электромагнита нанесена стрелка, которая указывает направление движения жидкости через него.
Условия эксплутации электромагнитного клапана john guest
Электромагнитный клапан на быстросъемных соединениях john guest предназначен для работы в трубопроводной магистрали с рабочим давлением от 0,2 до 8 бар и температуре перекачиваемой жидкости до +60 оС.
Очень важным является качество перекачиваемой жидкости. Клапан очень чувствителен к загрязняющим вешествам находящимся в ней. При необходимости всегда устанавливайте механический фильтр на подающей линии перед электромагнитным запирающим устройством.
При снятии электромагнитной катушки с клапана, ее нельзя подключать к электрической сети на длительное время. Катушка может перегрется и выйти из строя.
Мембрана клапана изготовлена из материала NBR и может применятся для длительного контакта с водой, воздухом и маслами. Прокачивание через клапан растворителей, воды насыщенной озоном, пара или щелочного раствора запрещена.
Катушка клапана рассчитана на работу при напряжении 24 вольт постоянного тока, всегда проверяйте рабочее напряжение сети подачи питания для избегания аварийной работы устройства.
Где использут электромагнитные клапаны john guest?
Как правило это участки транспортировки жидкостей где требуется автоматический контроль за ее подачей:
- Кофемашины
- Ледогенераторы
- Вединговое оборудование
- Фильтры воды
- Системы гидромассажа
- Писсуары в общественных туалетах
- Диспенсеры воды

Характеристики:
Тип клапана – нормально закрытый
Подключение ⅜ трубка х ⅜ трубка
Напряжения питания катушки – 24 В, DC
Потребляемая мощность катушки – 4,8 Вт
Пропускная способность – 3 л/мин
Рабочее давление 0,2-8 Бар
Похожие товары:
Фитинг прямой ½ рн х ½ трубка | Клапан электромагнитный john guest ¼
